Hexagon Nuts – Locking

We Supply

Mild Steel – Half Nut

Nyloc

Castle Nut

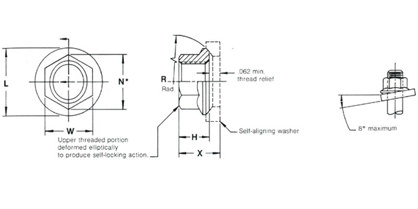
Cleeveloc Nut

 

011 900 3848/47